用途與特征
LTZJ-20/10系列組合式多路換向閥是我公司為國內全液壓坑道鉆機設計研發的新一代產品,該閥繼承了我公司原有坑道鉆機組合式多路換向的優點,該閥在我公司原有坑道鉆機多路換向閥的基礎上做出了很大的創新,與原有坑道鉆機用組合式多路換向閥相比,LTZJ-20/10系列組合式多路換向閥體積進一步縮小,減小了液壓鬧在主機上的安裝空間,并且優化了多路閥與主機系統的匹配特性,將各個執行機構的微動控制做了優化設計,并且將原有控制部分的輔助類閥更改為插裝式,這樣可使各個機構的控制點更加清晰,為主機液壓系統調整提供了方便。
性能參數
| 通徑 | 公稱壓力 | 公稱流量 | 許用背壓 |
| 20 | 25 | 150 | 2 |

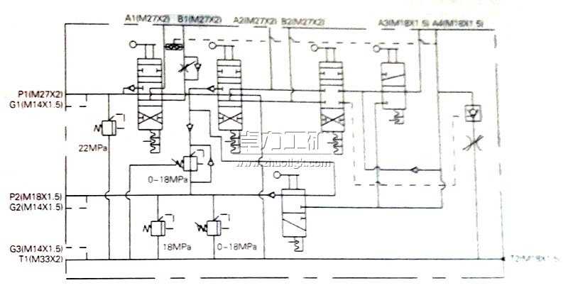
液壓原理圖

外形及連接尺寸

卓力工礦是國內知名LTZJ-20/10煤礦用全液壓坑道鉆機專用多路換向閥生產廠家,有豐富的經驗為客戶提供高品質的LTZJ-20/10煤礦用全液壓坑道鉆機專用多路換向閥及完善的售后服務,如果您想了解最新LTZJ-20/10煤礦用全液壓坑道鉆機專用多路換向閥價格或者更詳細信息,歡迎撥打服務熱線:
13280082001 18605374511.或者聯系在線客服:
點擊這里、立刻咨詢;我們攜程為您服務!
常見問題:LTZJ-20/10煤礦用全液壓坑道鉆機專用多路換向閥發貨時間? LTZJ-20/10煤礦用全液壓坑道鉆機專用多路換向閥售后保障? LTZJ-20/10煤礦用全液壓坑道鉆機專用多路換向閥訂貨需要提供什么信息?
產品標簽:LTZJ-20/10煤礦用全液壓坑道鉆機專用多路換向閥| |


![[pics:title]](/uploads/allimg/180901/1-1PZ1105312507-lp.jpg)
