用途與特征
DP25/20G型負載敏感多路換向閥該閥主要適用于12T-50T全液壓汽車起重機的上車操縱控制,主要操縱起重機的起升、變幅、伸縮和回轉機構。
該閥具有負荷傳感功能、可實現液壓系統的負荷傳感隨動控制,減少泵的負荷,減少動力消耗和系統發熱,并且改善閥的流量調節特性,能進行多泵供油分、合流控制,是力矩限矩器電信號轉換的機、電、液一體元件。
該閥為鑄造油道片式結構,具有結構緊湊、操縱力小、流量大、零件通用化程度高,可實現不同規格的組合,采用了日本N○K新型復合密封件,保證了閥片間和閥桿軸端無泄漏。
該閥油路形式多樣,滑閥機能齊全,除標準中位機能外,還設有很寬的流量控制范圍和五位雙速控制機能,廣泛應用于工程機械、起重運輸機械、冶金機械、農業機械和其它機械的液壓系統中,用以改變液流方向實現多個執行機構的集中控制。
性能參數
| 通徑 | 公稱壓力 | 公稱流量 | 許用背壓 |
| 20 | 25 | 150 | 3 |
| 25 | 25 | 300 | 3 |

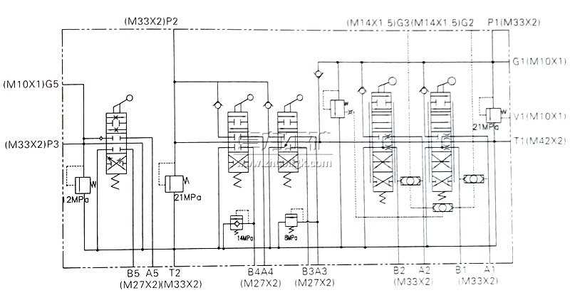
液壓原理圖

外形及連接尺寸

卓力工礦是國內知名DP25/20G型負載敏感多路換向閥生產廠家,有豐富的經驗為客戶提供高品質的DP25/20G型負載敏感多路換向閥及完善的售后服務,如果您想了解最新DP25/20G型負載敏感多路換向閥價格或者更詳細信息,歡迎撥打服務熱線:
13280082001 18605374511.或者聯系在線客服:
點擊這里、立刻咨詢;我們攜程為您服務!
常見問題:DP25/20G型負載敏感多路換向閥發貨時間? DP25/20G型負載敏感多路換向閥售后保障? DP25/20G型負載敏感多路換向閥訂貨需要提供什么信息?
產品標簽:DP25/20G型負載敏感多路換向閥|
全液壓汽車起重機多路換向閥
|


![[pics:title]](/uploads/allimg/180901/1-1PZ110151CA-lp.jpg)
